ЭПРА от ЭЛиПС-О
-
Будем разбирать(ся) или как ? В эксплуатации меньше года

-
Перегорели уже?:)
-
Конечно будем!
-
@ALEXLED сказал ЭПРА от ЭЛиПС-О:
Перегорели уже?:)
очень жестко сгорают . Менять нужно много , а не факт , что запустится после этого . Отметил негодные элементы , но после их замены ничего не запускается


-
@Андрей-Туманенко ЭПРА это такая штука, которую впринципе надо менять целиком🤔 это только мы, схемотехники-исследователи "носки штопаем и трусы")
-
@Андрей-Туманенко а где эти ЭПРА Вы используете, если не секрет?
-
@Андрей-Туманенко сказал ЭПРА от ЭЛиПС-О:
очень жестко сгорают . Менять нужно много
Если ЭПРА массово отказывают, может быть дело в питающей сети? Может быть сеть нестабильная? И напряжение сети выходит за рамки 80 - 150 В?
Не могут же они, ни с того ни с чего, вдруг, внезапно, начать массово откзывать?
-
@Схемотехник сказал ЭПРА от ЭЛиПС-О:
Если ЭПРА массово отказывают, может быть дело в питающей сети? Может быть сеть нестабильная? И напряжение сети выходит за рамки 80 - 150 В?
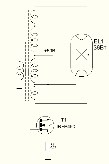
Не могут же они, ни с того ни с чего, вдруг, внезапно, начать массово откзывать?Это все понятно , что есть нестабильность . Но мне не нравится , что если "вышибает" IRFP450 , то за собой он тянет еще кучу деталей.
- IRFP450
- BC557
- BC547
- 3*1 Ом
- стабилитрон 15 V
- предохранитель 3,15 А
-
@ALEXLED сказал ЭПРА от ЭЛиПС-О:
ЭПРА это такая штука, которую впринципе надо менять целиком🤔 это только мы, схемотехники-исследователи "носки штопаем и трусы")
обычно так и делается , когда есть в наличии на складе. Просто мы же тут все разбираем и изучаем. А я еще по возможности ремонтирую
-
@Андрей-Туманенко сказал ЭПРА от ЭЛиПС-О:
Это все понятно , что есть нестабильность . Но мне не нравится , что если "вышибает" IRFP450 , то за собой он тянет еще кучу деталей.
Да, с полевиками всегда так... Погибает много элементов в цепи затвора... Так как затвор всегда пробивается либо на исток, либо на сток... Гибель затворных элементов - неизбежна...
-
@Схемотехник сказал ЭПРА от ЭЛиПС-О:
Да, с полевиками всегда так... Погибает много элементов в цепи затвора... Так как затвор всегда пробивается либо на исток, либо на сток... Гибель затворных элементов - неизбежна...
Это все напоминает мне контроллер для елочной гирлянды . Теперь с резистором и диодом не должно ничего произойти с каплей при пробое тиристора. С полевиком в ЭПРА можно сделать что то подобное ? Кстати я запустил сгоревший ЭПРА
-
@Андрей-Туманенко сказал ЭПРА от ЭЛиПС-О:
Теперь с резистором и диодом не должно ничего произойти с каплей при пробое тиристора.
Угу. Тем более тиристоры работают на низкой частоте.
@Андрей-Туманенко сказал ЭПРА от ЭЛиПС-О:
С полевиком в ЭПРА можно сделать что то подобное ?
Ни в коем случае... Нельзя... Полевики работают на высоких частотах (десятки кГц). Если увеличить сопротивление в цепи затвора - то существенно увеличится время нарастания напряжения на затворе. Что приведет увеличению времени открытия транзистора, а значит и потерь при переключении... Насколько мне известно, напряжение на затворе должно нарастать и спадать за время 150 нС (нано секунд).
Поэтому "затвор" трогать нельзя...
-
@Схемотехник поискал в российском ЭПРА российские элементы и нашел ! КП505Б и он даже определился китайским прибором

Попытался срисовать трансформатор в ЭПРА и что то получилось вот такое , но наверно с ошибками...


Как найти работу в Москве без опыта
Всем привет, дорогие читатели, сегодня мне хочется вам рассказать небольшую историю успеха моей знакомой, которая очень стремилась переехать в Москву и начать зарабатывать деньги. История будет не простая, а с актуальной инструкцией. И да, это не...
Первая Выставка на Луне 2019 -- 2022
ПЕРВАЯ ВЫСТАВКА НА ЛУНЕ 2019 — 2022. ВЫСТАВОЧНЫЙ КОМПЛЕКС ГОРОДА ВЛАДИМИРА, ТВОРЧЕСКАЯ МАСТЕРСКАЯ РЯБИЧЕВЫХ В МОСКВЕ представляют экспозицию в рамках проекта МАРГАРИТЫ ЮРКОВОЙ ОСОЗНАНИЕ СОТВОРЧЕСТВА. Кураторы ИГОРЬ КРАВЧЕНКО, СОФИЯ ЗАГРЯЖСКАЯ Адрес...
Зимняя теплица/парник
Подходит зимний сезон, конечно, в этот раз я уже ничего не успею, но на следующий год я очень хочу сделать зимний парник. Что из себя представляет сие сооружение - смотрите на фото: Правда выглядит очень круто? Вроде как все понятно - стеклянный...
Куда пойти любителям рок музыки в январе или Frost Fest 2022
Ну все, надо бы переезжать. Опять Москва. И да, я опять очень хочу поехать. О чем речь? Так это же Frost Fest!! Ни о чем не говорит? Тогда я расскажу. А если и так все ясно - вот ссылочка на билетики, залетайте со мной, билетики от 1400 рублей. Итак...
Форум
Power bank не заряжается ...
Будем разбираться или в ведро ?
Форум
Как это делал "Pelsan"
Всем здравствуйте ! И так для того чтобы дать адекватную оценку изделию его нужно сравнить с аналогичным изделием , но от другого производителя. Продолжаю тему обзора удлинителей и предлагаю сравнить...
Форум
Аналог батарейки "Крона"
Обзор делать ?
Форум
Пульту Panasonic более 12 лет
Такое вот качество от Panasonic . Пульт в эксплуатации более 12 лет и до сих пор живой. Интересно как там все сохранилось ? Очень даже сохранилось . На удивление все кнопки работают и надписи не...