Что накрылось во второй ?
Вторая часть про гирлянды . Во второй гирлянде отказали две лампочки из 72 -х и контроллер .



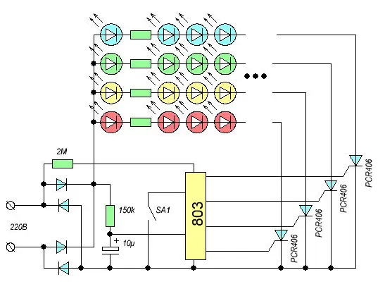
Поставил контроллер от светодиодной гирлянды





Вторая часть про гирлянды . Во второй гирлянде отказали две лампочки из 72 -х и контроллер .
Поставил контроллер от светодиодной гирлянды
Популярные публикации
Комментарии
61
@Андрей-Туманенко сказал :
Интересно смотрятся отремонтированные лампочки в голубой термоусадке! Прикольно получилось! А что же контроллер отказал? Тиристоры пробиты? или микросхема? или все пробилось?
Хорошая гирлянда, а лампочки стеклянные или пластиковые? Меня удивило то, что существуют гирлянды с пластиковыми лампочками накаливания, это простр невероятно, но они реально есть!
Интересно, а контроллер вообще отказался работать, присоединюсь к вопросу коллеги @Схемотехник. Любопытно еще то, что похоже гирлянды без диодного моста совсем зависимы от сетевого напряжения, и даже маленькая помеха может вывести контроллер из строя...
Также вопрос по сроку службы, меня все интересует вопрос, а сколько вообще служат лампочки накаливания в гирляндах? @Андрей-Туманенко подскажите, сколько примерно отработала эта гирлянда?
@ALEXLED сказал :
эти лампочки не светодиоды случайно ?
@Андрей-Туманенко нет, именно лампочки накаливания, на коробке написано, что они небъющиеся, на авито видел. И в киоске, где хлеб продают на днях видел. Там тоже довольно большие колбы, как у Вашей гирлянды, но это лампочки накаливания. По ощущениям, их колба реально пластик, жаль такой в моем городе не продается, взял бы на изучение:)
@ALEXLED сказал :
В цепи питания контроллера есть электролитический конденсатор . Стрелочным прибором удобно "прозванивать" что либо. Так вот по прибору на конденсаторе почти КЗ , что указывает на неисправный контроллер.
@Андрей-Туманенко а как он себя ведет, вообще тишина и ничего не работает? Хмм, интересно, от чего он вышел из строя, пробило тиристоры? Похоже, теперь эту гирлянду можно сделать немигающей.
@ALEXLED да я сильно не "копал" схему. Если Вы заметили один провод сейчас идет напрямую , а остальные два через диод . Именно потому , что на выходе тиристоров ничего не выходит . Но контроллеру трындец точно
@Андрей-Туманенко если честно, сначала не обратил внимание, не всматривался, куда припаяны проводки:) жалко конечно, так все лампочные гирлянды погорят:(
@Андрей-Туманенко а если поменять электролитический конденсатор, быть может это он стал создавать замыкание своим очень плохим ESR, без него возможно стоит измерить...
@ALEXLED сказал :
Проверю , чуть позже выложу результат
@Андрей-Туманенко хорошо, спасибо!
@ALEXLED сказал :
В общем я выпаял контроллер и КЗ на конденсаторе пропало . Для восстановления нужна "капля" исправная
@Андрей-Туманенко ясно, а тиристоры живы? Не из за них контроллер перегорел?
Думал контроллер такой же в этой гирлянде , но нет в ней мост полноценный на 4 диодах и капля другая
@ALEXLED сказал :
Интересно, а может быть продавец (продавщица) был (была) в курсе какие лампы в гирлянде?
@Андрей-Туманенко сказал :
Да, скорее всего контроллер. Маловероятно, но может пробиться сам электролит. Но опять таки маловероятно...
@ALEXLED сказал :
Да, да! Очень интересный вопрос! Не пробиты ли тиристоры, хотя бы один? Ведь по цепям управления нет никаких защит...
@ALEXLED сказал :
А как надо было? последовательно все соединить? чтобы снизить ток через лампы?
@Андрей-Туманенко сказал :
Интересна причина выхода из стоя контроллера...
@ALEXLED сказал :
Присоединяюсь! живы ли тиристоры? По цепи управления тиристоров вообще нет никакой защиты... Напрямую от контроллера!
@Андрей-Туманенко сказал :
А защиты какие-то присутствуют?
@Схемотехник сказал :
все тоже самое , только контроллер отличается и мост на 4 диодах собрали. Защиты никакой не нашел
@Андрей-Туманенко сказал :
Вот такие гирлянды - хорошим пример, что происходит, когда нету ни одной защиты. Сгорает все "оптом" раз и навсегда!
@Схемотехник кстати если взять лампу на 110 Вольт и подключить к сети 220 Вольт через диод она будет работать , но мерцать . Тут китайцы сделали тоже самое . В схеме всего один диод , а не мост . Если будет мост нужно добавлять лампочек иначе такая гирлянда долго не проживет. Полагаю эти гирлянды изначально собирались для Китая , у них же 110 Вольт в сети. А когда встал вопрос экспорта в страны СНГ они не стали добавлять лампочки, а просто поставили вместо моста один диод.
@Андрей-Туманенко сказал :
Соображают однако... и получилась пульсирующая гирлянда на напряжение 220В...
@Схемотехник сказал :
как сказала жена пульсирующий свет чем то напоминает горящую свечу . Так , что дешево и сердито выкрутились
один жив
второй не очень
@Схемотехник сказал :
@Андрей-Туманенко ну да, в этой точно будет все другое, т.к. там 4 отдельных цепи, а в старой было две.
@ALEXLED тут тоже две. Два провода вход 220 не считайте
@Схемотехник ну продавщица явно не знает какие лампочки стоят в гирлянде, которая висит для украшения, я даже не знаю рабочая ли она:)
Ну да, хана контроллеру по итогу там...жалко конечно
Похоже, судя по информации ниже - тиристор реально пробило...
Нет, я вообще так написал потому, что мне жалко, что лампочные гирлянды портятся, контроллер ведь был одной важной составляющей этой лампочной гирлянды...
@Андрей-Туманенко короче как моя хорошая гирлянда из одного из прошлых обзоров внутри.... возможно, надо сделать этой несчастной платке какую нибудь хорошую защиту от неприятностей...
@Схемотехник иногда "оптом" сгорает чуть ли не все и в дорогих устройствах с кучей защит и т.д. Бывает и защита становится виновником выхода из строя дорогих деталей в технике, ситуаций бывает куча, но у этих гирлянд есть преимущество - 100% ремонтопригодность, все можно поменять и добыть еще контроллеров из раздолбанных гирлянд, которые выбрасывают.
@ALEXLED сказал :
Ну да... И на вопрос, а что у вас там за гирлянда? Она бы ответила: - "МОЛОДОЙ ЧЕЛОВЕК, БУЛКУ БУДЕТЕ БРАТЬ? ВАМ БАТОН ИЛИ ХЛЕБ? НЕ ЗАДЕРЖИВАЙТЕ!!"
@ALEXLED сказал :
Вот скорее всего пробитые тиристоры или тиристор и погубили управляющий микроконтроллер...
@ALEXLED сказал :
Вот вот!
@ALEXLED сказал :
Согласен, что бывают разные ситуации... Но здесь ведь все налицо... Нету же элементарных защитных цепей по цепи управления тиристоров...
@ALEXLED сказал :
100% ремонтопригодность, наряду со 100% ненадежностью...
@Схемотехник но тут все таки есть вопрос в том, а необходима ли эта защита, ведь при выходе из строя тиристора гирлянда что так не будет работать как надо, что так. А о заменяемости тиристоров в домашних условиях без навыков пайки и т.д. никто и не задумывался... а в таких гирляндах даже лампочки не заменяемые, одноразовое все это дело короче. Но в умелых руках такая гирлянда будет работать чуть ли не вечно, ну сломается контроллер - поменяю, ну сгорят лампочки - поменяю.
@ALEXLED сказал :
Согласен, гирлянда "заточена" под массовое производство без возможности ремонта... Но ведь саму коробочку они все-таки собирают на винтах... А не тупо склеивают... Ну да, скорее не нужно заморачиваться с ремонтопригодностью этих гирлянд, а просто нужно извлекать из них необходимые компоненты...
@Схемотехник сказал :
да, мне другой контроллер принесли на запчасти. Один тиристор дохлый , на электролите всего 0,6 Вольт . Получается и контроллер не выжил . При включении тиристор сразу открывается и гирлянда просто светит не мигая . В общем в нем все оптом опять сгорело
@Андрей-Туманенко сказал :
Мог же производитель изначально поставить простейшие цепи защиты... Хотя бы резисторы по цепи управления тиристоров... А может это у них модифицированная версия гирлянды? Из которой "лишнее" убрано? Ведь коробочка намного больше, чем платка...
@Схемотехник сказал :
резисторы спасут контроллер ? Я бы поставил , но пока нет живой платы под рукой. Номинал какой ? SMD подойдут ?
@Андрей-Туманенко сказал :
Спасут диоды и резисторы, то есть чтобы между контроллером и управляющим выводом тиристора - были последовательно установлены резистор и диод. Диод защитит контроллер от высокого напряжения. А резистор защитит от перегрузки по току, то есть от кз...
диод любой высоковольтный, например, 1n4007 (1A, 700V). А вот с резистором надо думать... Нужно знать какое напряжение выдает контроллер и какой ток нужен на управляющей ноге тиристора, чтобы его открыть... @Андрей-Туманенко А вы не находили в интернете схему вашего управляющего модуля? Со схемой было бы проще сообразить в плане защит...
Схемотехник
только у меня не мост , а всего один диод и двухканальный вариант
@Андрей-Туманенко сказал :
В интернете множество схем по гирляндам. На некоторых из них в цепи установлены резисторы сопротивлением 10КОм. Думаю такой защиты будет вполне достаточно... Добавление диоды - это прямо супер гарантированная защита... Насколько она уместна - не знаю... Поскольку, все-таки вряд ли тиристор разрушится... Скорее всего он пробьется... То есть все ножки окажутся замкнуты между собой. И управляющий вывод окажется на "земле". Вот в таком случае, резистора вполне будет достаточно!
@Схемотехник надо в светодиодную впаять резисторы
@Андрей-Туманенко сказал :
Попробуйте! Они вместятся туда? или же SMD можно? Интересно, будет ли надежный запуск тиристоров при сопротивлении 10 Ком...
@Схемотехник сказал :
добавил в шапку про тиристоры . Они пробиваются как угодно https://domorost.ru/topic/4405/%D0%BE%D1%88%D0%B8%D0%B1%D0%BA%D0%B8-%D0%B2-%D0%B4%D0%B8%D0%B0%D0%B3%D0%BD%D0%BE%D1%81%D1%82%D0%B8%D0%BA%D0%B5
@Андрей-Туманенко сказал :
Да, увидел. Особенно беспокоит случай "2", в котором управляющий вывод пробился на анод... Думаю, что все-таки, кроме защитных резисторов, нужно обязательно установить диоды... Резисторы защитят от КЗ. А диоды от повышенного напряжения...
@Схемотехник резисторы не проблема , с ними все работает . Только я 1 кОм поставил.
теперь нужно еще с диодами испытать. Уже навыдирал
@Андрей-Туманенко сказал :
Круто! Вы уже почти все сделали!
@Схемотехник ну да, мне кажется есть версии этих гирлянд с более продвинутой и качественной платой, поэтому и места в коробочке полно, а нам пока что на обзор достаются бюджетные и простые варианты. Быть может для гирлянды на 300 лампочек нужен контроллер побольше...
@Андрей-Туманенко ну тут хоть все светится, удобно он сгорел😂
@Андрей-Туманенко контроллер спасут в первую очередь диоды, резисторы помогут только в случае короткого замыкания.
@ALEXLED сказал :
Будем надеется, что у участников форума появятся более продвинутые гирлянды!
@ALEXLED сказал :
Как показали исследования @Андрей-Туманенко, тиристоры выходят из строя по разному, в том числе и накоротко на катод или анод... Поэтому, резисторы не помешают...
@Схемотехник ну да, я и не отрицаю необходимость резисторов в доработке.
@Схемотехник будем надеяться, что реально появятся и такие, тоже будет интересно их изучить, не так ли?
@ALEXLED сказал :
Полностью с Вами согласен!
@ALEXLED сказал :
это рабочий контроллер . Не хочу чтобы он сгорел тоже . Тиристоры на Aliexpress копейки стоят , а сам контроллер не нашел . А нет есть одно предложение 4 платки с каплей за $11,5
@ALEXLED сказал :
кто же против ,вот вам диоды
@Андрей-Туманенко сказал :
Круто! Зачетно выглядит!
@Схемотехник что это за наскальные рисунки ?
где тут название ? EG4100BT FA9Z6478 202038
@Андрей-Туманенко сказал :
Очень нетипичное название... Обычно на таких корпусах всего несколько символов, буквы и цифры... Понятно, что корпус здесь SOT89... А вот как дальше распознать - ума не приложу... Сюда по схеме микросхемы стоят параллельно...
вот и я весь в догадках. Я тут чего подумал, а если отпаять один и подсунуть в чудо приборчик ? Он чего нарисует ?
@Андрей-Туманенко сказал :
Попробуйте! Интересно что выдаст! На счет диода, биполярника, полевика, тиристора, симистора, стабилитрона - нет сомнений. А что прибор покажет, если в корпусе какая-либо более сложная микросхема? Ну например, микросхема линейного стабилизатора? Типа LM7805 или что-то подобное?
@Схемотехник в общем распознать что это не могу
если воткнуть в китайский приборчик, то получается мосфет с n-каналом
но если развернуть на 180 град и воткнуть еще раз, то покажет обратный транзистор. На мосфет не тянет , т.к. ведет себя не так по стрелочному прибору последнее провода подключил по другому . Насверлил отверстий 1,5 мм и пропустил в них провода . Затем загнул и припаял
@Андрей-Туманенко сказал :
Понятно, ну что же... остается только догадываться...
Отлично получилось! Круто! Да, если протянуть провода с противоположной стороны фольги, то фольга не оторвется!!
Поставил контроллер от светодиодной гирлянды