Все было бы так просто, если бы не было так сложно…
А куда делись моточные изделия? Неужели на "медь" пошли? Это и смешно и грустно...
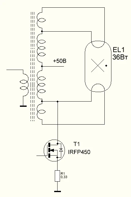
Дросселя это не транзисторы... Дроссель - это и габариты и индуктивность и ток, и витки, и несколько обмоток на одном магнитопроводе...
Раз уж эти ЭПРА - некомплектные, то и смысла в их ремонте нет... Они отлично пойдут как "доноры" для следующих моделей...
А куда делись моточные изделия? Неужели на "медь" пошли? Это и смешно и грустно...
Дросселя это не транзисторы... Дроссель - это и габариты и индуктивность и ток, и витки, и несколько обмоток на одном магнитопроводе...
Раз уж эти ЭПРА - некомплектные, то и смысла в их ремонте нет... Они отлично пойдут как "доноры" для следующих моделей...
Производитель заявил наработку ЭПРА 50 000 часов , срок службы 16 лет. ЭПРА изготовлены в 2012, 2013, 2014 году.
Часы в общем то выработаны , при условии круглосуточной работы . А вот срок службы еще не вышел .
Во всех трех ЭПРА то же самое транзисторы 13007 нужно менять , но кому то не хватает денег на хлеб с маслом и вот результат.
В этой стране прибыльнее что либо дербанить и сдавать цветные металлы , чем зарабатывать на ремонте подобных устройств.
В Шанхае локдаун и поставки электронных компонентов в ближайшее время будет ограничены. Нужно наоборот все беречь , иначе есть шанс очень быстро скатиться в каменный век .
Теперь действительно это только доноры для других устройств .
В Шанхае локдаун и поставки электронных компонентов в ближайшее время будет ограничены. Нужно наоборот все беречь , иначе есть шанс очень быстро скатиться в каменный век .
И это при том, что данный ЭПРА не является высокотехнологичной продукцией... Его может изготовить радиолюбитель у себя дома из доступных компонентов... Но из-за отсутствия хотя бы одной импортной детали - устройство будет неработоспособным...
Но из-за отсутствия хотя бы одной импортной детали - устройство будет неработоспособным...
Вот вот , все детали импортные . Конденсаторы , резисторы , транзисторы и прочие элементы . Но самое главное это микросхема в повышающем преобразователе . Их точно не производят ни в России , ни у нас в Казахстане . Все это приходит из Китая !
Вот вот , все детали импортные . Конденсаторы , резисторы , транзисторы и прочие элементы . Но самое главное это микросхема в повышающем преобразователе .
Ну да. Не просто будет. На рассыпуху еще можно найти аналоги. А вот на микросхему повышающего....
А вы помните, у меня был обзор на ЭПРА от Филипс? Там ведь все было рассыпухе. Даже корректор на рассыпухе!
Поэтому, скорее всего можно обойтись без микросхем. Но мы понимаем во что это выльется...
тут тоже нет микросхем
даже срисовывать схему пытался
Копирование схем - вам пригодится...
Значит есть выход! Есть возможность собирать на рассыпухе! Но габариты слегка изменятся и количество элементов и размер текстолита (на гетинакс можно перейти) и стоимость изделия.
Эх помню в армии "начальник автомобилистов" когда заступал в наряд заставлял своих подчиненных проволочки медные обжигать из телевизоров и прочей техники. Вот и седели солдатики всю ночь пили пепси и добывали цвет мет. Тут видимо тоже самое, ну сколько меди в импульсном трансформаторе? Для получения килограмма нужно всю партию 2014 года разобрать?
На самом деле да, труд по ремонту такой техники вообще не ценится, но не потому что он не ценен, а из-за просто сверх дешевых и одноразовых современных светильников с просто колоссальными цифрами на упаковке. Хотя насчет цен в нынешнее время уже спорный момент. Видел лампочки Е40 95 вт светодиодные по 4к у них хоть и массивный радиатор но для почти 100 вт маловат и вот удивительно почему же они перегорают? Цена же огого не маленькая.
и вот удивительно почему же они перегорают? Цена же огого не маленькая.
на продукты ценники тоже регулярно переписывают в большую сторону . И что ? Продукты такого же качества и количества. Ничего не улучшается вообще , только цена дуется и все
ЭПРА сертифицированы. Схемотехнические решения запатентованы. Такая вот информация на официальном сайте
https://www.elips-o.ru/catalog/electronic_ballasts/epra_dlya_transporta/
Комментарии
13
Точно, что-то с питающей сетью 100%. Думаю, отремонтировать для вас не проблема. Но как быть с сетью? ведь ремонты могут не закончиться?
@Схемотехник сказал :
Все было бы так просто, если бы не было так сложно…
вот так выглядит отремонтированный ранее , но он был комплектный
@Андрей-Туманенко сказал :
А куда делись моточные изделия? Неужели на "медь" пошли? Это и смешно и грустно...
Дросселя это не транзисторы... Дроссель - это и габариты и индуктивность и ток, и витки, и несколько обмоток на одном магнитопроводе... Раз уж эти ЭПРА - некомплектные, то и смысла в их ремонте нет... Они отлично пойдут как "доноры" для следующих моделей...
@Схемотехник сказал :
Производитель заявил наработку ЭПРА 50 000 часов , срок службы 16 лет. ЭПРА изготовлены в 2012, 2013, 2014 году.
Часы в общем то выработаны , при условии круглосуточной работы . А вот срок службы еще не вышел .
Во всех трех ЭПРА то же самое транзисторы 13007 нужно менять , но кому то не хватает денег на хлеб с маслом и вот результат.
В этой стране прибыльнее что либо дербанить и сдавать цветные металлы , чем зарабатывать на ремонте подобных устройств.
В Шанхае локдаун и поставки электронных компонентов в ближайшее время будет ограничены. Нужно наоборот все беречь , иначе есть шанс очень быстро скатиться в каменный век .
Теперь действительно это только доноры для других устройств .
@Андрей-Туманенко сказал :
И это при том, что данный ЭПРА не является высокотехнологичной продукцией... Его может изготовить радиолюбитель у себя дома из доступных компонентов... Но из-за отсутствия хотя бы одной импортной детали - устройство будет неработоспособным...
@Схемотехник сказал :
Вот вот , все детали импортные . Конденсаторы , резисторы , транзисторы и прочие элементы . Но самое главное это микросхема в повышающем преобразователе . Их точно не производят ни в России , ни у нас в Казахстане . Все это приходит из Китая !
@Андрей-Туманенко сказал :
Ну да. Не просто будет. На рассыпуху еще можно найти аналоги. А вот на микросхему повышающего.... А вы помните, у меня был обзор на ЭПРА от Филипс? Там ведь все было рассыпухе. Даже корректор на рассыпухе! Поэтому, скорее всего можно обойтись без микросхем. Но мы понимаем во что это выльется...
@Схемотехник тут тоже нет микросхем
даже срисовывать схему пытался
@Андрей-Туманенко сказал :
Копирование схем - вам пригодится... Значит есть выход! Есть возможность собирать на рассыпухе! Но габариты слегка изменятся и количество элементов и размер текстолита (на гетинакс можно перейти) и стоимость изделия.
Эх помню в армии "начальник автомобилистов" когда заступал в наряд заставлял своих подчиненных проволочки медные обжигать из телевизоров и прочей техники. Вот и седели солдатики всю ночь пили пепси и добывали цвет мет. Тут видимо тоже самое, ну сколько меди в импульсном трансформаторе? Для получения килограмма нужно всю партию 2014 года разобрать?
На самом деле да, труд по ремонту такой техники вообще не ценится, но не потому что он не ценен, а из-за просто сверх дешевых и одноразовых современных светильников с просто колоссальными цифрами на упаковке. Хотя насчет цен в нынешнее время уже спорный момент. Видел лампочки Е40 95 вт светодиодные по 4к у них хоть и массивный радиатор но для почти 100 вт маловат и вот удивительно почему же они перегорают? Цена же огого не маленькая.
@vrms сказал :
на продукты ценники тоже регулярно переписывают в большую сторону . И что ? Продукты такого же качества и количества. Ничего не улучшается вообще , только цена дуется и все
@Андрей-Туманенко Да в идеале вообще чтоб зп хватало только на базовые вещи и вот современное рабство уже здесь. Нихочешь не работай.
@Схемотехник сказал :
ЭПРА сертифицированы. Схемотехнические решения запатентованы. Такая вот информация на официальном сайте https://www.elips-o.ru/catalog/electronic_ballasts/epra_dlya_transporta/
Так , что для копирования схем нужен Copyright